kuni (KUNI-NET元しそぺ)
banner
kuninet.bsky.social
kuni (KUNI-NET元しそぺ)
@kuninet.bsky.social
2018年から電子工作に復帰。中華な基板屋さんでいろいろと作ってもらうことを覚えて遊んでます。
github : http://github.com/kuninet
BLOG : http://kuninet.org
Reposted by kuni (KUNI-NET元しそぺ)
【Web東京創元社マガジン 10月31日更新1/2】
大ボリューム試し読みあり! 宮澤伊織『ときときチャンネル 宇宙飲んでみた』コミカライズ(漫画:とこみち)が始まりました #ときときチャンネル #レグルス
note.com/tokyosogensh...
【大ボリューム試し読みあり!】宮澤伊織『ときときチャンネル 宇宙飲んでみた』コミカライズ(漫画:とこみち)が始まりました|Web東京創元社マガジン
宮澤伊織さんの人気シリーズ『ときときチャンネル 宇宙飲んでみた』(創元SF文庫)のコミカライズ(漫画:とこみちさん)が待望のスタート! 第1話「宇宙飲んでみた①」の大ボリューム試し読みをお届けします。 続きは【電撃コミック レグルス】様にてお楽しみください! 12345678910
note.com
October 31, 2025 at 8:06 AM
ESP32-WROVER + I2S DACボード
WROVERの部分だけ搭載してLEDチカチカ確認OKっす。

8年?もののクリーム半田をフラックスまぜて練り練りしたらつかえました。手半田でもクリーム半田はやっぱりらくちんですね。
後のお掃除が大変だけど。

あしたDACのせてみます
June 16, 2025 at 1:11 PM
なんとなくwaveshareの電子ペーパーモジュールが楽しそうと思って色々みてたら回路図がありまして...
1.54インチ版の回路図にRST(リセット)きたら 電源制御する謎回路がありまして....
別の2.54インチ版だとPWR(電源制御)端子で電源制御しているように見えるであります。
なんじゃろ? 端子一個少ないので、RSTで電子ペーパ側の電源コントロールしてちょってことかなぁ
June 15, 2025 at 1:31 AM
今日 ColorTimer REV2(表面実装部品版)とESP32-I2S基板が届きました。
ColorTimer REV2(表面実装部品版)には主要部品とプログラム書き込み済みマイコンを搭載して稼働確認までいきました〜🎵
June 11, 2025 at 11:50 AM
ESP32-Downloader基板 2つめのはんだ付け終了。
チップ部品になれてきて、時間が短縮できたぜ!と思ったら 自動書き込み回路のMOS FETの部分ではんだ不良をしてしまって、ESP32に書き込みできん!!!としばしハマってました。
昨日の1号機では熱で壊した?D2 送信LEDがチカチカしたので満足です
June 3, 2025 at 12:41 PM
ESP32-Downloaderの基板が届いたので、USB端子とか表面実装部品を頑張って載せてうごきましたーー

USB端子は最初ケーブルテストしてケーブル抜いたらコネクタごと取れて絶望したけど、もう一度はんだづけしたらつきました!

MOS FETx2の自動書き込み回路も動きましたぞー
June 2, 2025 at 1:18 PM
今週末はESP-12FとかESP32-WROVERとかでWebラヂヲを作りたいとCopilotさんに頼んでいろいろと試しましたがいまいちうまくいかなかったという感じでした。
別件で6月になったので、ESP-12F ColorTImer表面実装部品版とESP32-WROVER+I2SでAirPlayなボードのプリント基板を発注しました。たのしみです。

書き込み回路は省略してて、今週届く 自作ESP32-Downloader基板で書き込む予定です。うごくといいなー
June 1, 2025 at 1:08 PM
さて、スルーホール部品で試作して色々ともんだいがありつつ動いたESP-12FのColorTimer基板ですが、表面実装部品に変えてもうちょっと小さい基板にしてみました。

JLCPCBさんに頼もうと思ったら、OCS NEP送料チョットタカイ事象が出たので、6月になったらまた発注トライしようかとw
May 28, 2025 at 12:57 PM
ESP-12Fってシステム用のピンが多いので、意外と使えるピンは少ないんですね。I2CでGPIO4,5使って、今回LEDx2とプッシュボタンで3つのピン使っちゃったので、圧電サウンダつけたらあとはADCピンぐらいでした。

ADCピンで電圧をいい感じで分けて、複数ボタン対応ってのをどこかで見ましたので、まだまだいけるのかもですけどw
May 25, 2025 at 7:00 AM
そして、合体感を増すため ユニバーサル基板でアダプタをつくってみました。
REV2??では、直接OLEDディスプレイを挿せるようにしたいです
May 25, 2025 at 5:28 AM
ESP-12F ColorTimer基板
LEDチカチカだけだと寂しいので、OLED液晶もつけてみたでござる
こんなこともあろうかと、I/O端子は出していたのです

ディスプレーに文字表示されるとアガリますなぁぁ
May 25, 2025 at 3:01 AM
自作 ESP32 Downloader風モジュールで自動書き込みできましたぁぁぁ。
GPIO0につなぐところがズレていて、あれれれ??とハマったのは内緒です
May 25, 2025 at 12:51 AM
あ、Twitter (X)復活したみたいすな
May 24, 2025 at 1:56 PM
X落ちてますなぁ....
今日はここのところ作ってるESP-12F使ったカラータイマー基板のプリント基板を動かすのに四苦八苦してました。
1枚目(初号機w)はどうしてもCH340KがUSB経由でシリアルとして見えず...いろいろやっているうちに半壊
2枚目(弍号機)は無事動きました。弍号機はピンソケットが赤いやつです。
カラータイマー基板はボタン押すと青信号になって一定時間経つと赤点滅して...みたいな感じの装置で、ボタン押すたびにWebへ知らせる装置を目指しています。IFTTTが無料枠で何もできなくなったのが痛い
May 24, 2025 at 1:27 PM
MC6802シングルボードコンピュータREV2基板の改良点についてBLOGにまとめました~♪
REV2基板でシリアルクロックバグもなおって、$C000~を外部基板用(VRAM用とか)にディセーブルにできるのです。
kuninet.org/2025/04/17/m...
MC6802シングルボードコンピューター その6 ~REV2基板~ | KUNINET BLOG
MC6802シングルボードコンピューターのREV1基板はシリアルクロックに致命的な ^^) 問題があったのと、MC6847 VDGボードのデフォルトVRAMである$C000のあたりのメモリーをディセーブルにできませんでした。どちらもREV2...
kuninet.org
April 17, 2025 at 12:50 PM
MC6802コンピューターが動いたので、1年前に挫折した MC6800シングルボードコンピュータの基板を 今度はビアのテンティング(保護)ありで再度製造してもらいまして、動きました~!!
回路は間違ってなかったのかぁぁぁぁ
オリジナルのMIKBUGモニタも、オリジナルの電大版TinyBASICも動きました。
April 13, 2025 at 7:32 AM
現在のMC6802コンピューターのシステム構成を図にしてみました。
今後 SN76489音源ボードとか、ビデオボードのV9938化とか、I2Cボード増設とか いろいろとつなげてみたいですねぇ
April 6, 2025 at 1:51 AM
MC6802マイコン+SBC-IOのLEDチカチカですが、いったりきたりするかたちへ変更しますた
April 5, 2025 at 7:44 AM
MC6802マイコン+ROM化した電大版BASICでLEDをシフト表示させてみただす。
April 5, 2025 at 6:05 AM
K6802-SBC(MC6802マイコン)+SBC-IOで、MC6821 PIA(パラレルI/O)につないだLEDが点灯しました。
$8051番地と$8053番地へ初期化$00を送り、$8052番地へ$55を送ったところ1つおきにLEDが点灯しました!やたっ
March 30, 2025 at 7:31 AM
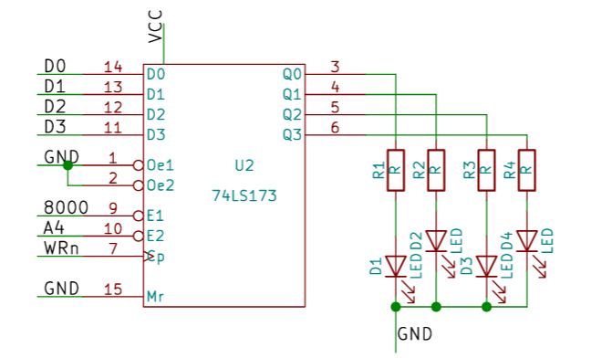
MC6802シングルボードコンピュータに、Tomi9さんのSBC-IOをつないで、SBC-IO上のLEDのテストしてうまくいきました。
$8000から74LS174がつながっててLEDが制御できます。
March 30, 2025 at 7:02 AM
MC6802シングルボードコンピュータREV2
バグ直ったはず版
部品組付け&5V確認完了しますた
March 30, 2025 at 12:59 AM
ひとまず、SBC-IOもMC6802コンピュータREV2もICソケットはつけたです
March 29, 2025 at 10:30 AM
SBC-IOのシリアルクロック用に久々にPIC12F1822を焼いたりしました。
最初Pickit3が認識しなくて困ったのですが、Pickit3本体ボタン押しながらUSB接続することで認識されました。
March 29, 2025 at 8:03 AM
MC6802 シングルボードコンピュータのバグ取れた(はず)版が本日届いたので、先日 オレンジピコさんとこに頼んで送ってもらったSBC-IO基板とW27C512と合わせてうごかしてみたいです。
March 29, 2025 at 4:37 AM